When you use a step ladder instruction programming, first to design a State transition diagram based on State transition diagrams into a step ladder or instruction sheet. These three types of representation is shown in Figure 5-2. Action process when stepping contact S20 is closed, Y1 coil output relays switched on. When closing X0 a new status bit (connected), steppings contact S21 also closed. Original step contact S20 automatic reset (disconnect), which is equivalent to State to S20 S21, is to step into conversions. Other state relays between State transfer process, and so on.
Obviously, state transition diagram is a graphic that describes the sequence control system controls the process, it consists of steps, transition conditions, to the line. Each State (step) that an operation order, took a particular action. Conversion (stepping) requirements are met. Compared with the general directive programming, using the step instruction not only visually represent order process, and you can reduce the number of program and easy to understand. Each State provides three functions: driver loads, specifies the transition conditions, set the new State (automatic reset transfer source).
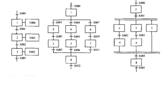
According to the step by step progress of State transition diagram, there are four structures:
1. A single sequence. Reflect the sequential steps in succession to activate such a fundamental progress, as shown in Figure 5-3.
2. Select sequence. Steps followed by several subsequent steps of an activity structure as a sequence of samples to choose from. As shown in Figure 5-4, select the sequence of every branch has its own conversion conditions.
3. A parallel sequence. When the realization of converting leads to several branches at the time of activation, using parallel sequences. To link the horizontal part is represented by a pair of lines. As shown in Figure 5-5.
4. Jump and the cycle repeats sequence. In real systems often used step, repeating and cyclic sequences. This sequence of this practice is a choice special forms. As Figure 5-6 a, by shows for jumped step sequence, dang step 3 for activities step Shi, if conversion conditions X005 established, is jumped had step 4 and step 5 directly into step 6; figure 5-6B by shows for repeat sequence, dang step 6 for activities step Shi, if conversion conditions X004 not established and X005 established, again returns step 5, repeat implementation step 5 and step 6, until conversion conditions X004 established, into step 7; Figure 5-6C by shows for cycle sequence, in sequence end Hou, with repeat of way, directly returns initial step 0, Form a sequence of cycles.

