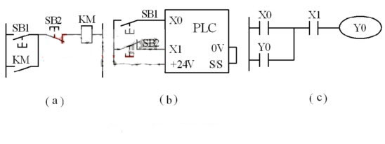
In these input signals can only be provided by a normally closed contact, Figure 1a is to control the motor run relay circuit, SB1 and SB2 start button and stop button, respectively, if they are normally open contacts connected to PLC input, type contacts in the ladder diagram with exactly the same figure 1a. If access PLC of is SB2 of often closed touch points, by Xia Figure 1B in the of SB2, its often closed touch points disconnect, X1 into OFF, it of often open touch points disconnect, apparently in trapezoidal figure in the should will X1 of often open touch points and Y0 of coil series (see figure 1c), but then in trapezoidal figure in the by with of X1 of touch points type and PLC add-ins SB2 of often open touch points Shi just instead, and following electrical circuit diagram in the of habits is instead of. Proposed as normally open for PLC input signal.
If some signals can only be normally closed contact input, you can enter all designed for normally open to, and then in the ladder diagram knowledge input contacts of the relay contacts to the opposite, that is normally open to normally closed contact, normally closed contact normally open contacts instead.
