1) the rectifier circuit. Rectifier circuit using diode one-way conduction characteristics of alternating current into direct current circuits. As shown in Figure 1-26 is a typical rectifier circuit.
Typical rectifier circuit
(2) the filter circuit. Filter is DC ripple into waves smooth direct current. Filtering the aim is to minimize fluctuations in the output voltage of the rectifier components, making it near–constant DC. As shown in Figure 1-27 is a typical rectifier circuit.
Typical rectifier–filter circuits
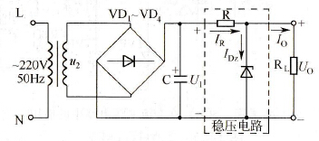
(3) the voltage regulator circuit. After rectifier AC into DC, fluctuating DC through a filter into the composition of steady direct current, but the resulting DC voltage is unstable, when the power supply voltage changes, the rectifier output DC voltage will also change. Voltage regulator circuit when the voltage changes can make constant DC output voltage of the circuit. Figure 1-28 shows the DC power supply regulator circuit.
Typical DC power regulator circuit
(4) the amplifier circuit. Amplifier circuit is converted to a stronger signal of weak electrical signals circuits. As shown in Figure 1-29 is a typical transistor amplifier circuit.
A typical transistor amplifier circuit


